新聞資訊
了解故障案例及產品資訊
問題描述(故障現象)
OL64+DCM80+OBA網絡結構在對接中出現大量誤碼。
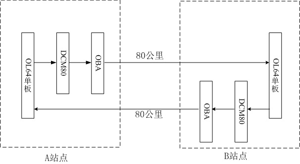
組網環境

原因分析
工程中出現大量誤碼一般原因有:
1.單板或者光模塊出現故障。
2.DCM型號和光纜型號不對應,DCM如果是G652,光纜是G655,就會出現過補,產生大量誤碼。
3.光纖對接沒插好,產生大量誤碼。
4.光纜質量出現問題,產生誤碼。
5.OBA單板發光過高在光纜傳輸過程中產生非線性效應,引起誤碼。
解決方案
處理過程:
1.單板和光模塊都用備件替換過,問題依舊在。
2.咨詢用戶,用戶確認光纜型號為G652的,仔細查看DCM型號為G652,配置沒問題。
3.重新鋪放放大單板到ODF架尾纖,問題沒解決。
4.清潔ODF架光纖轉接頭和對接到其他光纜資源,問題沒有解決。
5.調整放大單板發光功率:在單板屬性里面,功率是否可調,選擇可調。步長調整選擇-2DB ,這樣放大單板發光功率調整到12DB ,調整完畢后,誤碼消失,問題解決。

注意事項
在以后調試有OBA單板系統中,如果有誤碼,很有可能是發光功率過高在光纜長距離傳輸過程中出現非線性效應產生誤碼,可以通過調整放大單板光功率解決問題。